地址:深圳市坪山区坑梓街道坪山大道6352号厂房二406

√ 符合《GB4717-2005》、《GB14287.1-2014》、《GB/T21197-2007》和《GB16806-2006》中对电源部分的要求
√ 主、备电源无缝切换
√ 满足雷击浪涌、静电放电、电瞬变快速脉冲群干扰、传导骚扰、交流电源周波跌落和瞬间掉电等实验的要求
√ 良好的耐候性和绝缘安全性,满足绝缘耐压和湿热实验的要求
√ 面板显示主电工作、备电工作、主电欠压、备电欠压、电池故障、充电状态六个工作状态信号
√ 可长期工作于 280V 输入电压
√ 面板显示主电工作、备电工作、主电欠压、备电欠压、电池故障、充电状态六个工作状态信号
√长期过流、短路保护功能,可自恢复
√完善的电池充放电管理,恒流恒压两段式充电方式
√备电反接保护功能
√ 备电单投功能
1.工作环境温度:-10℃~40℃,湿度:£ 95%RH(40℃)
2.交流输入电压: AC187V ~242V,45~63Hz
3.直流输出电压、输出电流

说明: (1)输出电压、输出电流的测试环境:0~40℃,45%~75%RH;(2)采用电池供电时,24V 电源输出电压为电池电压
4.输出直流电压纹波噪声:纹波≤1% 噪声≤2%
5.绝缘电阻(15~35℃,45%~75%RH):输入-机壳 > 50MW;输出-机壳 > 20MW
6.耐压强度(15~35℃,45%~75%RH):输入-机壳 Ac1500V(有效值)、频率 50Hz,时间 1 分钟(漏电流£5mA),输出-机壳 Ac500V(有效值)、频率 50Hz,时间 1 分钟(漏电流£5mA)
7. 保护功能
(1) 过流保护:输出具有长期过流、短路保护功能,故障解除后自动恢复。
(2) 电池欠压保护:备电工作情况下,电池电压降到 21.0±0.5V 时,电源切断放电回路,防止电池过放电而损坏
(3) 电池防反接保护:若发生电池极性接反现象,对电池、电源及供电均无影响,正确接线后,电源正常工作。
(4) 电池接地保护:当电池正、负端子接电源机壳或大地时,不损坏电池和电源。
8.蓄电池充电功能:充电方式为均充浮充两段式,均充电流为 0.7~1.1A,浮充电压为 27.2±0.8V。
9.工作状态指示功能系统产生以下 6 个工作状态信号,通过面板上的 LED 灯指示。
主电工作:指有满足要求的 AC220 交流电源输入,系统处于正常工作输出状态。
备电工作:指 AC220 交流输入电压低于 AC170±15V 以下,蓄电池经系统控制,单独向负载供电的工作状态。
主电欠压:指主电工作状态时 AC220 交流输入电压的有效值低于 AC170±15V 的情况。
电池故障:指本系统与蓄电池间的连接线发生短路或断路的情况。
备电欠压:指备电工作状态时,蓄电池电压低于 DC21.0±0.5V 的情况。充电状态:指本系统内的充电器处于充电工作状态。
接线
主电端子:“ 〨”接大地;端子“N”、“L” 接 220V 市电。备电端子:“电池+”接电池正极,端子“电池-”接电池负极。输出端子:“电源输出”的“+”和“-”分别接用电设备的正极和负极。总故障信号连接:根据需要接到模块盒的对应空置。注意:电源输出的正负极不要接错,以免损坏用电设备!
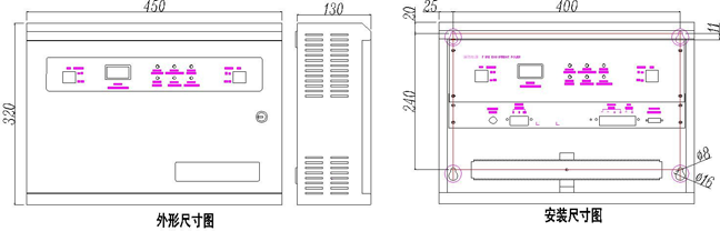
外形尺寸(单位:mm)

电池仓尺寸:333×96.5×64.5~98(mm)中间 30mm 隔档分离 2 块电池,其中
64.5mm 高度为 12V7Ah 电池安装高度,98mm 为 12V12Ah 电池安装高度。
服务
电源有:DC24V,5A ; DC24V,10A ;DC24V,20A ;DC24V,30A 可选
√ 提供售前售后技术支持。
√ 正常使用情况下,免费保修期为 12 个月,终身维修。
地址:深圳市坪山区坑梓街道坪山大道6352号厂房二406 电话:0755-84517969 手机:13927498643
Copyright © 2012-2028 深圳市中科泰达安全设备有限公司 版权所有 ICP备案编号:粤ICP备18102264号-1